中間繼電器生產廠家簡介-上海上繼科技有限公司
發表時間:2019-07-05 16:55 瀏覽次數:956 〖返回〗
上海上繼科技有限公司是一家專業從事電力系統繼電保護及智能電網電力自動化產品的研發、設計、生產、銷售和服務為一體的高科技公司。
公司依托國際大都市上海的優越環境,擁有資深繼電保護專家團隊,熟悉中國電網實際運行特點,聯合國內外**高校不斷引進國內外先進技術,積極響應市場的需求,技術不斷創新,堅持行業**地位,主要生產電力繼電器及微機綜合保護裝置,電力智能配電設備,變電站自動化監控系統。產品廣泛用于電力、工礦、鐵路、建筑等國家重大工程輸配變電系統上,產品遠銷東南亞及中東地區。
公司具備國內**的檢測儀器及校驗設備,建立了模擬運行老化系統,以精湛的技術嚴格的生產制造工藝,健全的生產管理體系,精耕細作,精益求精。產品通過國家繼電保護及自動化設備質量監督檢驗中心檢測,獲得ISO-9001:2000國際質量體系認證。
“科技創新,誠信務實”是公司的經營理念,上繼科技以售前技術支持,售后完善服務,在電力系統中樹立了良好的聲譽,深受各大設計院的認可,贏得輸配電成套企業的信賴。上繼科技本著對社會,對用戶高度的責任感,堅持走專業化道路,繼續創新超越,為我國智能電網電力自動化做出更大的貢獻!

BZS-11延時中間繼電器用于較高精度定時或頻繁操作需要0.1-10s的動作或返回延時的各種保護或控制回路中。
一、BZS-11中間繼電器的參數
1.額定電壓:AC 220V、110V;DC 220V、110V、48V、24V。
2.接點形式:8動合;6動合2動斷;4動合4動斷;2動合6動斷;8動斷。
3.動作值:直流繼電器動作電壓不大于70%額定電壓;交流繼電器動作電壓不大于85%額定電壓
4.返回值:繼電器返回電壓不小于5%額定電壓。
5.延時整定誤差:不大于整定值的2%。
6.功率消耗:直流不大于10W;交流不大于10VA。
7.觸點容量:在電壓不超過250V,電流不超過5A,時間常數為5±0.75ms的直流有感負荷電路中,產品輸出觸點的斷開容量為50W。輸出觸點在上述規定的負荷條件下,產品能可靠動作及返回5×104次。輸出觸點長期允許接通電流為5A。
8.介質強度:產品各導電端子連在一起,對外露的非帶電金屬部分或外殼之間,能承受2000V(有效值)50Hz的交流電壓歷時1分鐘試驗而 無絕緣擊穿或閃絡現象。
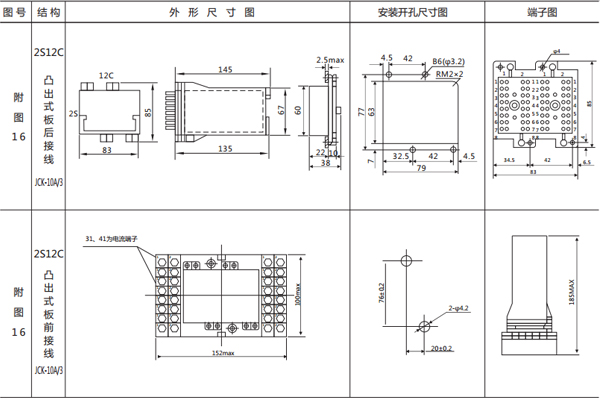
二、BZS-11中間繼電器的接線圖

三、BZS-11中間繼電器的開孔尺寸


DZJ-20-0004交流中間繼電器,是作為一種輔助繼電器,用于交流操作的各種保護和自動控制裝置中以增加觸點數量和觸點容量。
一、DZJ-20-0004交流中間繼電器的參數
● 額定電壓:AC 36V、100V、110V、127V、220V。
● 動作電壓:不大于80%的額定電壓。
● 返回電壓:不小于5%額定電壓。
● 動作時間:不大于0.06s。
● 返回時間:不大于0.06s。
● 功率消耗:在額定電壓下,功率消耗不大于4VA。
● 觸點容量:在電壓不超過250V,電流不超過5A,時間常數為5±0.75ms的直流有感負荷電路中,產品輸出觸點的斷開容量為50W。輸出觸點在上述規定的負荷條件下,產品能可靠動作及返回5×104次。輸出觸點長期允許接通電流為5A。
● 絕緣電阻:不小于300MΩ(在交變濕熱條件下,不小于4MΩ)
● 介質強度:2kV/50Hz/1min。
二、DZJ-20-0004交流中間繼電器的接線圖

三、DZJ-20-0004交流中間繼電器的開孔尺寸

上海上繼科技有限公司(專注電力保護繼電器生產廠家)銷售熱線:021-57233089 QQ:1932551438
{以上內容僅供參考,上海上繼科技有限公司有最終解釋權}
更多繼電器精彩文章——JC-17/1沖擊繼電器原理及接線圖
- 上一篇:廠用變保護裝置廠家推薦
- 下一篇:廠用變保護裝置生產廠家





