重合閘繼電器生產廠家介紹-上海上繼科技有限公司
發表時間:2019-07-18 15:22 瀏覽次數:872 〖返回〗
上海上繼科技有限公司是一家專業從事電力系統繼電保護及智能電網電力自動化產品的研發、設計、生產、銷售和服務為一體的高科技公司。
公司依托國際大都市上海的優越環境,擁有資深繼電保護專家團隊,熟悉中國電網實際運行特點,聯合國內外**高校不斷引進國內外先進技術,積極響應市場的需求,技術不斷創新,堅持行業**地位,主要生產電力繼電器及微機綜合保護裝置,電力智能配電設備,變電站自動化監控系統。產品廣泛用于電力、工礦、鐵路、建筑等國家重大工程輸配變電系統上,產品遠銷東南亞及中東地區。
公司具備國內**的檢測儀器及校驗設備,建立了模擬運行老化系統,以精湛的技術嚴格的生產制造工藝,健全的生產管理體系,精耕細作,精益求精。產品通過國家繼電保護及自動化設備質量監督檢驗中心檢測,獲得ISO-9001:2000國際質量體系認證。
“科技創新,誠信務實”是公司的經營理念,上繼科技以售前技術支持,售后完善服務,在電力系統中樹立了良好的聲譽,深受各大設計院的認可,贏得輸配電成套企業的信賴。上繼科技本著對社會,對用戶高度的責任感,堅持走專業化道路,繼續創新超越,為我國智能電網電力自動化做出更大的貢獻!

DH-1重合閘繼電器用于輸電線路上實現三相一次重合閘的控制回路中 。
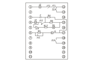
一、DH-1重合閘繼電器的結構
該繼電器由一臺時間繼電器(DS-112C型,作為時間元件JS),一臺電碼繼電器(作為中間元件JZ),及電阻,電容元件組成。它們被固定在絕緣的安裝板上,安裝板又被固定在金屬的底座上,裝有金屬的外殼,它通過螺桿被固定在底座上,在外殼與底座之間輔有隔塵墊,保證密封,在金屬外殼上部鑲有玻璃,從外面可以檢查裝置的動作情況。
繼電器可以采用板前接線,也可以板后接線。
繼電器內部接線圖示圖1

二、DH-1重合閘繼電器的技術數據
1.繼電器的額定電壓為DC110V, 220V。
2.繼電器的額定電流(中間元件電流繞組JZ(I)的額定保持電流)為0.25A; 0.5A; IA; 2A; 4A。
3.在額定電壓下,當環境溫度為20±5°C,相對濕度不大于70%時,電容器充電到中間元件動作所必需的電壓的時間(一次重合閘間隔時間)在15s-25s范圍內 。
4.在70%額定電壓下,當環境溫度為20±5°C,相對濕度不大于70%時,繼電器應保證可靠動作,此時電容器充電到使中間元件動作所必需的電壓的時間,允許延長到2min。
5.當中間元件電壓繞組沒有電壓,電流繞組流過額定電流時,銜鐵保持在吸合位置。
6.繼電器在額定電壓下中間元件的觸點JZl與JZ(I)串聯后,應保證能接通額定電流8倍(不大于8A)的電流歷時5s,此后在觸點上不應有熔化和粘接的痕跡。
7.在額定電壓下,中間元件電流繞組JZ(I)的功率消耗應不大于1.35W。
8.時間元件的延時調整范圍為0.25s~ 3.5s。
9 時間元件的線圈串聯附加電阻后應能長期經受110%額定電壓 。
10.介質強度:繼電器各電路對外露非帶電金屬部分之間應耐受電壓2kV,交流50Hz歷時lmin試驗而無擊穿或閃絡。
三、DH-1重合閘繼電器的開孔尺寸


DH-3重合閘裝置用于輸電線路上實現三相一次重合閘接線中,作為重合閘元件。
一、DH-3重合閘裝置的接線圖

二、DH-3重合閘裝置的技術數據

三、DH-3重合閘裝置的開孔尺寸

上海上繼科技有限公司(專注電力保護繼電器生產廠家)銷售熱線:021-57233089 QQ:1932551438
{以上內容僅供參考,上海上繼科技有限公司有最終解釋權}
更多繼電器精彩文章——JCDY-2C電壓繼電器接線圖及開孔尺寸
- 上一篇:開關柜智能操控裝置生產廠家推薦
- 下一篇:智能無線測溫裝置廠家





