中間繼電器與電壓繼電器特點及性能參數-上海上繼科技有限公司
發表時間:2019-08-17 10:54 瀏覽次數:783 〖返回〗
一、JZ-B-262靜態防跳中間繼電器
用途
JZ-B-262靜態防跳中間繼電器用于電力系繼電保護和自動控制裝置中 , 增加保護和控制回路觸點數量和觸點容量。JZ-B靜態防跳中間繼電器采用集成電器原理機構客服了電磁繼電器的觸點調節困難間題,具有可靠性高,抗振性強等優點。
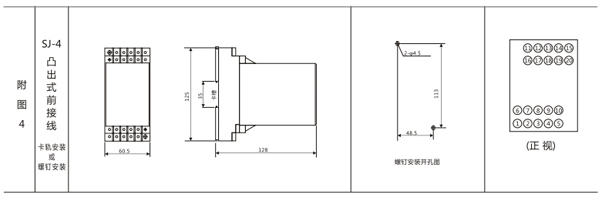
二、JZ-B-262靜態防跳中間繼電器
外形尺寸及開孔尺寸圖

三、JZ-B-262靜態防跳中間繼電器
使用條件
環境溫度 -25°C~+50°C
海拔高度 2000M及以下
周圍空氣的相對溫度,最濕月的月平均**相對濕度為90%。
周圍的磁感應強度不大于0.5mT。
使用地點不允許有較強的振動與沖動。
使用地點不允許有爆炸危險的介質,周圍介質不含有腐蝕金屬盒破壞絕緣的氣體及導電介質,不允許充滿水蒸汽及有較嚴重的霉菌.
使用地點應具有防雨、雪、風、沙的設施。
四、JZ-B-262靜態可調延時中間繼電器
結構及原理
⒈線圈裝在"U"形導磁體上,導磁體上面有一個活動的銜鐵,導磁體兩側裝有兩排觸點彈片。在非動作狀態下觸點彈片將銜鐵向上托起,使銜鐵與導磁體之間保持一定間隙。當氣隙間的電磁力矩超過反作用力矩時,銜鐵被吸向導磁體,同時銜鐵壓動觸點彈片,使常閉觸點斷開常開觸點閉合,完成繼電器工作。當電磁力矩減小到一定值時,由于觸點彈片的反作用力矩,而使觸點與銜鐵返回到初始位置,準備下次工作。
⒉本繼電器的"U"形導磁體采用雙鐵心結構,即在兩個邊柱上均可裝設線圈。對于DZY、DZL和DZJ型只裝一個線圈,而對于DZB,DZS,DZK型可根據需要在另一個鐵心上裝以保持線圈或延時用阻尼片等。從而使線圈類型大不相同的繼電器都通用一個導磁體。
五、JZ-B-262靜態防跳中間繼電器
型號命名及含義


一、JY-43B電壓繼電器的介紹
電壓繼電器是輸入量、特性量為電壓的量度繼電器,分為過電壓繼電器和欠電壓繼電器。前者由于電壓值增加達到整定值而動作,然后處于動后狀態;后者由于電壓值減少達到整定值而動作,然后處于釋放狀態。
二、JY-43B電壓繼電器的接線圖

三、JY-43B電壓繼電器的動作可靠性
a. 在動作電壓或返回電壓下,繼電器動作過程中的可動系統不應停滯在中間位置。
b. 當對線圈突然施加1.75倍的整定電壓激勵量時,其動合觸點應無抖動地閉合。
c. 當無外來碰撞和振動,繼電器的整定值整定在銘牌中部(或大于中部整定值)時,過電壓繼電器激勵量為整定電壓的0.6倍,繼電器的動斷觸點應可靠地閉合,動合觸點應可靠地斷開;低電壓繼電器激勵量不低于整定電壓的1.5倍,繼電器的動斷觸點應可靠地斷開,在0.6倍的整定電壓(或更低)時,繼電器的動斷觸點應可靠地閉合。
四、JY-43B電壓繼電器的結構
電壓繼電器分為凸出式固定結構,凸出式插拔式結構,嵌入式插拔結構等,并有透明的塑料外罩,可以觀察繼電器的整定值和規格等。
電壓繼電器磁系統有兩個線圈,線圈出頭接在底座端子上,用戶可以根據需要串并聯,因而可使繼電器整定范圍變化一倍。
電壓繼電器銘牌的刻度值及額定值對于電流繼電器是線圈串聯時的電流(以A為單位),對于電壓繼電器是線圈并聯時的電壓(以V為單位)。轉動刻度盤上的指針,以改變游絲的反作用力矩從而可以改變繼電器的動作值。
五、JY-43B電壓繼電器的開孔尺寸

公司介紹:上海上繼科技有限公司是一家專業從事電力系統繼電保護及智能電網電力自動化產品的研發、設計、生產、銷售和服務為一體的高科技公司。擁有資深繼電保護專家團隊和國內**的檢測儀器及校驗設備。同時還引用國內外先進技術,來進行技術創新。本公司的產品廣泛用于電力、工礦、鐵路、建筑等國家重大工程輸配變電系統上,產品遠銷東南亞及中東地區。產品通過國家繼電保護及自動化設備質量監督檢驗中心檢測,獲得ISO-9001:2000國際質量體系認證。“科技創新,誠信務實”是公司的經營理念,本公司以高超的技術支持和對用戶高度負責的售后服務贏得了輸配電成套企業的信賴,且樹立了良好的信譽。
上海上繼科技有限公司(專注中間繼電器生產廠家)銷售熱線:021-57233089 QQ:1932551438
(以上內容僅供參考,上海上繼科技有限公司有最終解釋權)
更多繼電器精彩文章→JZ-S/425靜態可調延時中間繼電器型號含義及特點
- 上一篇:中間繼電器與電流繼電器特點及性能參數
- 下一篇:中間繼電器與信號繼電器特點及性能參數





