ZSX-3水位信號裝置的技術要求及安裝開孔尺寸-上海上繼科技有限公司
發表時間:2019-06-18 10:02 瀏覽次數:953 〖返回〗
一、ZSX-3型水位信號裝置的用途
ZSX-3水位信號裝置用于水輪合發電機組自動化系統中,作為反應水位變化的信號元件。
二、ZSX-3型水位信號裝置的工作原理
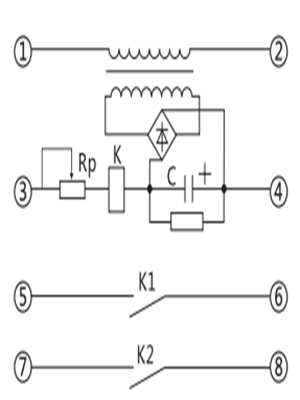
裝置由變壓器、整流橋、小型密封電磁繼電器、電容器、電位器等組成。原理接線圖見圖1。
裝置端子①、②接交流220V、50Hz電源,當水位上升到使③、④(接水位電極)形成通路時電磁繼電器K動作 ,動合觸點閉合 ,裝置發出信號。

三、ZSX-3型水位信號裝置的技術要求
1、額定電壓:裝置的額定電壓為交流220V、50Hz。
2、動作值:裝置的動作電壓不超過85%額定電壓。
3、動作時間:在額定電壓下,裝置動作時間不大于50ms。
4、功率消耗:在額定電壓下,功率消耗不大于3VA。
5、線圈溫升:當周圍環境為40°C時,裝置線圈應能長期承受1.1倍額定電壓,其溫升不超過60°C。
6、觸點斷開容量:在直流有感(τ=5ms)回路, U≤250V, I≤0.4A為30W。
7、介質強度:裝置所有電路對外殼之間及非帶電金屬部分應能耐受2?(有效值) , 50Hz的交流試驗電壓,歷時1min ,而無絕緣擊穿或閃絡現象 。
8、壽命:機械壽命為104次;電壽命為103次。
四、ZSX-3型水位信號裝置的調試方法
1、使用前應對裝置進行外觀檢査。
2、將端子①、②接交流220V、50Hz電源,③、④(使用時分別接水位的兩極)短接,并把電位器之值置于**,檢査動作電壓, 當動作電壓不大于85%額定電壓時,裝置動作。
3、在接入水位電極時,如因水電阻的變化影響動作值時可調整電位器。
五、ZSX-3型水位信號裝置的開孔尺寸
ZSX-3采用A11殼體,如下圖所示

上海上繼科技有限公司(專注電力保護繼電器生產廠家)銷售熱線:021-57233089 QQ:1932551438
{以上內容僅供參考,上海上繼科技有限公司有最終解釋權}
更多繼電器精彩文章——BXX-2型相序繼電器





