JX-B/2信號繼電器技術數據及接線圖-上海上繼科技有限公司
發表時間:2019-07-11 08:45 瀏覽次數:945 〖返回〗
一、JX-B/2信號繼電器的用途
JX-B/2靜態信號繼電器用于直流操作的電力系統電流保護和自動控制裝置中,作為故障動作指示信號。
二、JX-B/2信號繼電器的接線圖

三、JX-B/2信號繼電器的技術數據
1.額定值
電壓型額定工作電壓:DC220V、110V; 交流信號繼電器可根據客戶要求定做。
電流型額定工作電流:10mA~2A;如有特殊要求可定做。
2.動作值
電壓型:不大于70%額定電壓;
電流型:不大于90%額定電流。
3.動作時間:在額定工作狀態不大于20mS。
4.觸點容量
繼電器輸出電器的觸點斷開電壓不大于250V,時間常數為5±0.75mS的直流有負荷電路為50W,電壓不大于250V的交
流電路(功率因數COSΦ為0.4±0.1)為250VA。繼電器觸點可長期接頭2A。
5.介質強度:繼電器各導電端子連在一起對外露的非帶電金屬部分或外殼之間,能承受2000V(有效值),50Hz的交流 電壓,歷時1分鐘試驗而無絕緣擊穿或飛弧現象。
6.絕緣電阻:繼電器各導電端子連在一起對外露的非帶電金屬部分或外殼之間,用開路電壓500V的兆歐表測量其絕緣電阻 不小于300MΩ。
7.功率消耗:功率消耗不大于10W。
8.電壽命:繼電器觸點接于規定容量的電流負荷中,能可靠動作及返回,電壽命105次。
9.機電壽命:繼電器不接負荷能可靠動作及返回,其機械壽命為106次。
10.抗干擾性能:繼電器的抗干擾符合DL478-92《靜態繼電保護及安全自動裝置通用技術條件》。
四、JX-B/2信號繼電器的原理
一般由鐵芯、線圈、銜鐵、觸點簧片等組成的。只要在線圈兩端加上一定的電壓,線圈中就會流過一定的電流,從而產生電磁效應,銜鐵就會在電磁力吸引的作用下克服返回彈簧的拉力吸向鐵芯,從而帶動銜鐵的動觸點與靜觸點(常開觸點)吸合。當線圈斷電后,電磁的吸力也隨之消失,銜鐵就會在彈簧的反作用力返回原來的位置,使動觸點與原來的靜觸點(常閉觸點)釋放。這樣吸合、釋放,從而達到了在電路中的導通、切斷的目的。對于繼電器的“常開、常閉”觸點,可以這樣來區分:繼電器線圈未通電時處于斷開狀態的靜觸點,稱為“常開觸點”;處于接通狀態的靜觸點稱為“常閉觸點”。繼電器一般有兩股電路,為低壓控制電路和高壓工作電路。
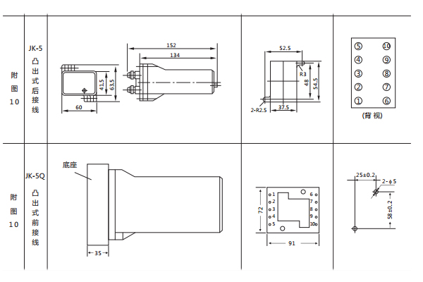
五、JX-B/2信號繼電器的開孔尺寸
JX-B采用JK-5殼體,如圖所示

公司介紹:上海上繼科技有限公司是一家專業從事電力系統繼電保護及智能電網電力自動化產品的研發、設計、生產、銷售和服務為一體的高科技公司。擁有資深繼電保護專家團隊和國內**的檢測儀器及校驗設備。同時還引用國內外先進技術,來進行技術創新。本公司的產品廣泛用于電力、工礦、鐵路、建筑等國家重大工程輸配變電系統上,產品遠銷東南亞及中東地區。產品通過國家繼電保護及自動化設備質量監督檢驗中心檢測,獲得ISO-9001:2000國際質量體系認證。“科技創新,誠信務實”是公司的經營理念,本公司以高超的技術支持和對用戶高度負責的售后服務贏得了輸配電成套企業的信賴,且樹立了良好的信譽。
上海上繼科技有限公司(專注電力保護繼電器生產廠家)銷售熱線:021-57233089 QQ:1932551438
{以上內容僅供參考,上海上繼科技有限公司有最終解釋權}
更多繼電器精彩文章——JX-13信號繼電器技術數據及開孔尺寸





